
· 용량 : 10 -300 ton
· 스트로크 : 150-300 mm
· 최대압력 : 700 bar
· 복동식 & 유압리턴 타입
· 커플러 포트 : PT 3/8
· 완전한 힘을 유지하도록 설계된 칼라
· 부식에 강한 피스톤 적용
· 견고한 플런저 및 새들 적용
· 틸팅 새들 적용 가능(옵션)
· 핸들 적용 가능(옵션)
· 기타 사이즈 제작 가능



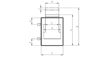
| 모델 번호 | 용량 (ton) | 스트로크 (mm) | 오일 용량 (cc) | 유효 면적 (cm2) |
기본 높이 A (mm) |
연장 높이 B (mm) |
외경 C (mm) | 내경 D (mm) | 로드직경 E (mm) |
전진포트 ~ 바닥면 F (mm) |
후진포트 ~ 상단부 G (mm) |
새들 직경 H (mm) |
새들 높이 I (mm) |
무게 (kg) |
|---|---|---|---|---|---|---|---|---|---|---|---|---|---|---|
| EDR-10150 | 10 | 150 | 239 | 15.9 | 272 | 422 | 64 | 45 | 32 | 30 | 45 | 45 | 15 | 5.7 |
| EDR-10200 | 10 | 200 | 318 | 15.9 | 322 | 522 | 64 | 45 | 32 | 30 | 45 | 45 | 15 | 6.8 |
| EDR-10250 | 10 | 250 | 398 | 15.9 | 372 | 622 | 64 | 45 | 32 | 30 | 45 | 45 | 15 | 8 |
| EDR-10300 | 10 | 300 | 477 | 15.9 | 422 | 722 | 64 | 45 | 32 | 30 | 45 | 45 | 15 | 9.1 |
| EDR-20150 | 20 | 150 | 498 | 33.2 | 282 | 432 | 98 | 65 | 40 | 30 | 50 | 50 | 15 | 13.5 |
| EDR-20200 | 20 | 200 | 664 | 33.2 | 332 | 532 | 98 | 65 | 40 | 30 | 50 | 50 | 15 | 15.7 |
| EDR-20250 | 20 | 250 | 830 | 33.2 | 382 | 632 | 98 | 65 | 40 | 30 | 50 | 50 | 15 | 17.8 |
| EDR-20300 | 20 | 300 | 996 | 33.2 | 432 | 732 | 98 | 65 | 40 | 30 | 50 | 50 | 15 | 20 |
| EDR-30150 | 30 | 150 | 662 | 44.1 | 282 | 432 | 108 | 75 | 50 | 30 | 50 | 60 | 15 | 24 |
| EDR-30200 | 30 | 200 | 882 | 44.1 | 332 | 532 | 108 | 75 | 50 | 30 | 50 | 60 | 15 | 27 |
| EDR-30250 | 30 | 250 | 1103 | 44.1 | 382 | 632 | 108 | 75 | 50 | 30 | 50 | 60 | 15 | 30 |
| EDR-30300 | 30 | 300 | 1323 | 44.1 | 432 | 732 | 108 | 75 | 50 | 30 | 50 | 60 | 15 | 33 |
| EDR-50150 | 50 | 150 | 1062 | 70.8 | 315 | 465 | 128 | 95 | 65 | 40 | 60 | 88 | 23 | 30 |
| EDR-50200 | 50 | 200 | 1416 | 70.8 | 365 | 565 | 128 | 95 | 65 | 40 | 60 | 88 | 23 | 37 |
| EDR-50250 | 50 | 250 | 1770 | 70.8 | 415 | 665 | 128 | 95 | 65 | 40 | 60 | 88 | 23 | 43 |
| EDR-50300 | 50 | 300 | 2124 | 70.8 | 465 | 765 | 128 | 95 | 65 | 40 | 60 | 88 | 23 | 50 |
| EDR-100150 | 100 | 150 | 2147 | 143.1 | 335 | 485 | 178 | 135 | 95 | 40 | 63 | 140 | 25 | 64 |
| EDR-100200 | 100 | 200 | 2862 | 143.1 | 385 | 585 | 178 | 135 | 95 | 40 | 63 | 140 | 25 | 70 |
| EDR-100250 | 100 | 250 | 3578 | 143.1 | 458 | 708 | 178 | 135 | 95 | 63 | 63 | 140 | 25 | 77 |
| EDR-100300 | 100 | 300 | 4293 | 143.1 | 508 | 808 | 178 | 135 | 95 | 63 | 63 | 140 | 25 | 83 |
| EDR-150150 | 150 | 150 | 3207 | 213.8 | 375 | 525 | 217 | 165 | 120 | 50 | 80 | 160 | 28 | 97 |
| EDR-150200 | 150 | 200 | 4276 | 213.8 | 455 | 655 | 217 | 165 | 120 | 80 | 80 | 160 | 28 | 106 |
| EDR-150250 | 150 | 250 | 5345 | 213.8 | 505 | 755 | 217 | 165 | 120 | 80 | 80 | 160 | 28 | 115 |
| EDR-150300 | 150 | 300 | 6414 | 213.8 | 555 | 855 | 217 | 165 | 120 | 80 | 80 | 160 | 28 | 124 |
| EDR-200150 | 200 | 150 | 4253 | 283.5 | 447 | 597 | 247 | 190 | 135 | 85 | 85 | 180 | 40 | 135 |
| EDR-200200 | 200 | 200 | 5670 | 283.5 | 497 | 697 | 247 | 190 | 135 | 85 | 85 | 180 | 40 | 153 |
| EDR-200250 | 200 | 250 | 7088 | 283.5 | 547 | 797 | 247 | 190 | 135 | 85 | 85 | 180 | 40 | 172 |
| EDR-200300 | 200 | 300 | 8505 | 283.5 | 597 | 897 | 247 | 190 | 135 | 85 | 85 | 180 | 40 | 190 |
| EDR-300150 | 300 | 150 | 6506 | 433.7 | 505 | 655 | 317 | 235 | 175 | 110 | 110 | 200 | 40 | 261 |
| EDR-300200 | 300 | 200 | 8674 | 433.7 | 555 | 755 | 317 | 235 | 175 | 110 | 110 | 200 | 40 | 284 |
| EDR-300250 | 300 | 250 | 10843 | 433.7 | 605 | 855 | 317 | 235 | 175 | 110 | 110 | 200 | 40 | 307 |
| EDR-300300 | 300 | 300 | 13011 | 433.7 | 655 | 955 | 317 | 235 | 175 | 110 | 110 | 200 | 40 | 330 |